주코딩일지
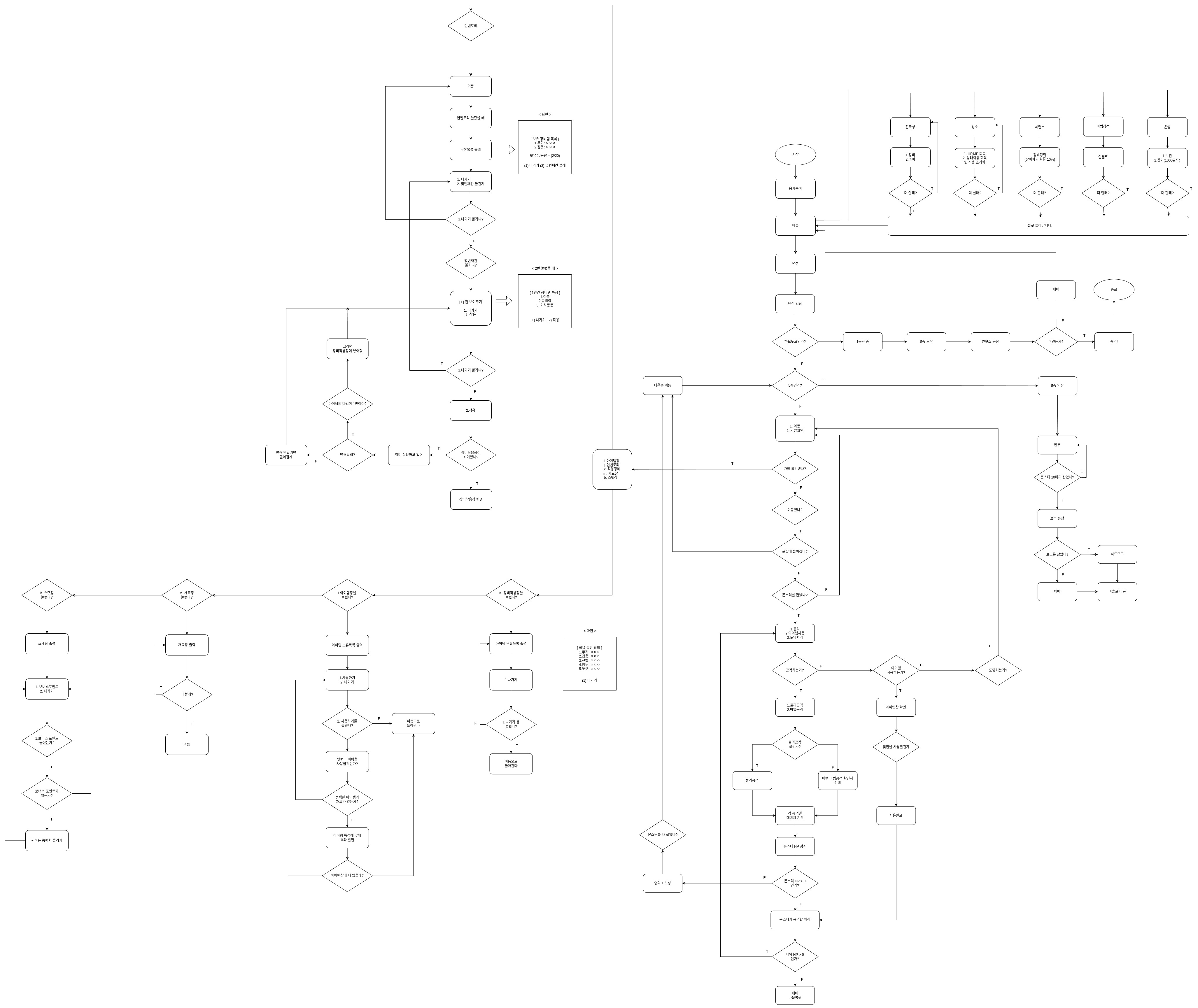
복PG - 최종 순서도
2025. 3. 26. 11:58
·
카테고리 없음
복pg_최종_순서도.jpg
0.49MB
공유하기
게시글 관리
주코딩일지
티스토리툴바
주코딩일지
구독하기